Zum Hauptinhalt springen Zur Suche springen Zur Hauptnavigation springen

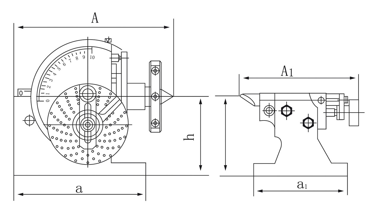
Halbuniversal-Teilkopf BS-0

Produktinformationen "Halbuniversal-Teilkopf BS-0"

 

Technische Daten:

  • Übersetzung: 40:1
  • Bauhöhe: 170 mm
  • Breite mit Zentrierspitze: 195 mm
  • Länge: 230 mm
  • Zentrierspitze: MK 2
  • Backenfutterflansch: 125 mm
  • Schwenkbar: 0° bis 90°
  • Spindelbohrung: 18 mm
  • Nutenbreite: 16 mm
  • Direkt-Teilscheibe (Teilung): 24 (15°)
  • Gewicht ca.: 16,8 kg

 Features

  • Spindel in Präzisionskegelrollenlagern
  • Schnecke aus Chrom-Nickel-Stahl, gehärtet und geschliffen
  • Phosphor-Bronze-Schneckenrad
  • Übersetzung ausrastbar zum direkten Teilen (40:1)
  • Schwenkbar von horizontal bis vertikal (-10° bis +90°)
  • Direktes Teilen mit 24er-Raster
  • Jede Teilung von 2 bis 50 und viele Teilungen von 52 bis 380 möglich

Lieferumfang:

  • Reitstock
  • 2 Teilscheiben
  • Zentrierspitze
  • Mitnehmer
  • Futterflansch

 

 

(-873,51 € gespart)
Bohr- und Fräsmaschine BF 40 HS, Bernardo
Bohr- und Fräsmaschine BF 40 HS, Bernardo

  Die präzise Bohr- und Fräsmaschine der BF 40 HS ist für Bohr-, Fräs- und Senkarbeiten bestens geeignet. Durch den dreh- und schwenkbaren Getriebekopf ist diese Maschine vielseitig einsetzbar in Reparaturbetrieben, mechanischen Werkstätten sowie im Ausbildungsbereich.  Technische Daten Bohrleistung in Stahl: 32 mm Bohrleistung in Guss: 40 mm Messerkopffräser max.: 80 mm Ausladung: 280 mm Spindeldrehzahl: (12) 75 – 3200 U/min Spindelaufnahme: MK 4 Pinolenhub: 120 mm Tischgröße: 730 x 210 mm T-Nutengröße: 14 mm Abstand Spindel / Tisch max.: 640 mm Abstand Spindel / Bodenplatte max.: 1185 mm Verfahrweg (x / y): 480 / 210 m Fräskopf schwenkbar: -90° bis +90° Höhenverstellung Fräskopf: 265 mm Säulendurchmesser: 115 mm Arbeitsfläche Bodenplatte: 365 x 375 mm Motor-Abgabeleistung S1 100%: 1,1 / 1,5 kW (400 V) Motor-Aufnahmeleistung S6 40%: 1,5 / 2,2 kW (400 V) Maschinenabmessung (B x T X H): 1070 x 800 x 2060 mm Gewicht ca.: 360 kg   FEATURES Vielseitige Anwendungsmöglichkeiten wie Bohren, Fräsen, Gewindeschneiden, ... Bearbeiteter Maschinenfuß zum Aufspannen von besonders hohen Werkstücken 2-Stufenmotor mit 12 schaltbaren Geschwindigkeiten Rechts-Linkslaufeinrichtung zum Gewindeschneiden Einfacher und schneller Drehzahlwechsel mittels Getriebewahlschalter Getriebekopf 180° schwenkbar, 360° drehbar und höhenverstellbar  Hohe Laufruhe durch geschliffene, im Ölbad laufende Getriebezahnräder Pinolenverstellung mittels Handgriff, Feinzustellung mittels Handrad    Lieferumfang Schnellspannbohrfutter 1 - 16 mm / B 16 Bohrfutterdorn MK 4 / B 16 Anzugsspindel M16 Reduzierhülse MK 4/3 Kombi-Aufsteckfräsdorn MK 4 / 27 mm Höhenverstellbare Schutzabdeckung Digitale Pinolenhubanzeige Gewindeschneideinrichtung Kühlmitteleinrichtung LED-Maschinenleuchte Längsmeßskala  Bedienwerkzeug    

Verkaufspreis: 2.850,00 € Regulärer Preis: 3.723,51 € (23.46% gespart)
(-146,19 € gespart)
Bohr- und Fräsmaschine FM 40 HS
Bohr- und Fräsmaschine FM 40 HS

  Mit der Bohr- und Fräsmaschine FM 40 HS hat man die Möglichkeit Bohr- und Fräsarbeiten in horizontaler, vertikaler und schräger Ebene durchzuführen. Durch die kompakte Bauweise und dem großen Leistungsbereich ist dieses Modell optimal geeignet für Modellbauer, Handwerker und Reparaturwerkstätten.   BESCHREIBUNG Einfacher und schneller Drehzahlwechsel mittels Getriebewahlschalter Vielseitige Anwendungsmöglichkeiten wie Bohren, Fräsen, Gewindeschneiden, … Massiver, großer Kreuztisch, präzise oberflächenbearbeitet Keilleisten beim Kreuztisch nachstellbar Hohe Laufruhe durch geschliffene, im Ölbad laufende Getriebezahnräder Hohe Rundlaufgenauigkeit durch Kegelrollenlager Rechts- und Linkslaufeinrichtung zum Gewindeschneiden Getriebekopf 180° schwenkbar, 360° drehbar und höhenverstellbar Durchzugsstarker 2-Stufenmotor, Drehzahlbereich 75 - 3200 U/min Pinolenverstellung mittels Handgriff, Feinzustellung mittels Handrad   LIEFERUMFANG Schnellspannbohrfutter 1 – 16 mm / B 16 Bohrfutterdorn MK 3 / B 16 Anzugsspindel M 12 Reduzierhülse MK 3/2 Kombi-Aufsteckfräsdorn MK 3 / 27 mm Höhenverstellbare Schutzabdeckung LED-Maschinenleuchte Digitale Pinolenhubanzeige Gewindeschneideinrichtung Längsmeßskala Bedienwerkzeug Technische Daten: Bohrleistung in Stahl: 32 mm Bohrleistung in Guss: 40 mm Messerkopffräser max.: 80 mm Ausladung: 255 mm Spindeldrehzahl: (12) 75 - 3200 U/min Spindelaufnahme: MK 3 Pinolenhub: 120 mm Tischgröße / T-Nutengröße: 730 x 210 mm / 14 mm Verfahrweg (x / y): 520 mm / 175 mm Fräskopf schwenkbar: -90° bis +90° Abstand Spindel / Tisch: 135 - 460 mm Höhenverstellung Fräskopf: 325 mm Säulendurchmesser: 115 mm Motor-Abgabeleistung S1 100%: 1,1 / 1,5 kW (400 V) Motor-Aufnahmeleistung S6 40%: 1,5 / 2,2 kW (400 V) Maschinenabmessung (B x T x H)*: 1100 x 830 x 1450 mm Gewicht ca.: 260 kg * ohne Untergestell        

Verkaufspreis: 2.777,64 € Regulärer Preis: 2.923,83 € (5% gespart)
(-157,44 € gespart)
Bohr- und -Fräsmaschine FM 40 HSV
Bohr- und -Fräsmaschine FM 40 HSV

  Die Bohr- und Fräsmaschine FM 40 HSV ist durch die kompakte Bauweise, dem serienmäßigen Pinolenvorschub, der digitalen Pinolenhubanzeige und dem großen Leistungsbereich für Modellbauer, Handwerker und Reparaturwerkstätten optimal geeignet.   BESCHREIBUNG Einfacher und schneller Drehzahlwechsel mittels Getriebewahlschalter Serienmäßig mit 3 einstellbaren Bohrvorschüben Vielseitige Anwendungsmöglichkeiten wie Bohren, Fräsen, Gewindeschneiden, … Massiver, großer Kreuztisch, präzise oberflächenbearbeitet Keilleisten beim Kreuztisch nachstellbar Hohe Laufruhe durch geschliffene, im Ölbad laufende Getriebezahnräder Hohe Rundlaufgenauigkeit durch Kegelrollenlager Rechts- und Linkslaufeinrichtung zum Gewindeschneiden Getriebekopf 180° schwenkbar, 360° drehbar und höhenverstellbar Durchzugsstarker 2-Stufenmotor, Drehzahlbereich 75 - 3200 U/min Pinolenverstellung mittels Handgriff, Feinzustellung mittels Handrad LIEFERUMFANG Schnellspannbohrfutter 1 – 16 mm / B 16 Bohrfutterdorn MK 3 / B 16 Anzugsspindel M 12 Reduzierhülse MK 3/2 Kombi-Aufsteckfräsdorn MK 3 / 27 mm Höhenverstellbare Schutzabdeckung Automatischer Pinolenvorschub LED-Maschinenleuchte Digitale Pinolenhubanzeige Gewindeschneideinrichtung Längsmeßskala Bedienwerkzeug Technische Daten: Bohrleistung in Stahl: 32 mm Bohrleistung in Guss: 40 mm Messerkopffräser max.: 80 mm Ausladung: 255 mm Spindeldrehzahl: (12) 75 - 3200 U/min Spindelaufnahme: MK 3 Pinolenhub: 120 mm Pinolenvorschub: 0,10 / 0,18 / 0,26 mm/U Tischgröße / T-Nutengröße: 730 x 210 mm / 14 mm Verfahrweg (x / y): 520 mm / 175 mm Fräskopf schwenkbar: -90° bis +90° Abstand Spindel / Tisch: 135 - 460 mm Höhenverstellung Fräskopf: 325 mm Säulendurchmesser: 115 mm Motor-Abgabeleistung S1 100%: 1,1 / 1,5 kW (400 V) Motor-Aufnahmeleistung S6 40%: 1,5 / 2,2 kW (400 V) Maschinenabmessung (B x T x H)*: 1100 x 830 x 1450 mm Gewicht ca.: 270 kg * ohne Untergestell      

Verkaufspreis: 2.991,30 € Regulärer Preis: 3.148,74 € (5% gespart)
(-154,31 € gespart)
Bohr- und Fräsmaschine FM 45 HS
Bohr- und Fräsmaschine FM 45 HS

  Das Modell FM 45 HS ist eine kostengünstige Bohr- und Fräsmaschine. Durch die Schwalbenschwanzführung des Getriebekopfes wird ein Höchstmaß an Präzision und Stabilität gewährleistet. Ihren Einsatzbereich findet dieses Modell hauptsächlich beim Heimwerker.   BESCHREIBUNG Einfacher und schneller Drehzahlwechsel mittels Getriebewahlschalter Vielseitige Anwendungsmöglichkeiten wie Bohren, Fräsen, Gewindeschneiden,… Hohe Laufruhe durch geschliffene, im Ölbad laufende Getriebezahnräder Rechts- und Linkslaufeinrichtung zum Gewindeschneiden Pinolenverstellung mittels Handgriff, Feinzustellung mittels Handrad Schwalbenschwanzführung für x-, y- und  z-Achse, nachstellbar über Keilleisten Beidseitig schwenkbarer Fräskopf zum Winkelbohren, Fräsen von Fasen, usw. Massiver großer Kreuztisch, präzise oberflächenbearbeitet Optimales Preis-Leistungsverhältnis für den kostenbewussten Anwender   LIEFERUMFANG Schnellspannbohrfutter 3 – 16 mm / B 16 Bohrfutterdorn MK 4 / B 16 Anzugsspindel M 16 Reduzierhülse MK 4 / 3 Kombi-Aufsteckfräsdorn MK 4 / 27 mm Höhenverstellbare Schutzabdeckung Gewindeschneideinrichtung LED-Maschinenleuchte Digitale Pinolenhubanzeige Lamellen-Schutzabdeckung Längsmeßskala Bedienwerkzeug   Technische Daten: Bohrleistung in Stahl: 32 mm Bohrleistung in Guss: 40 mm Messerkopffräser max.: 80 mm Ausladung: 220 mm Spindeldrehzahl: (12) 75 - 3200 U/min Spindelaufnahme: MK 4 Pinolenhub: 125 mm Tischgröße: 800 x 240 mm Verfahrweg (x / y): 555 / 225 mm Fräskopf schwenkbar: -60° bis +60° Abstand Spindel / Tisch: 60 - 485 mm Höhenverstellung Fräskopf: 425 mm T-Nutengröße: 14 mm Motor-Abgabeleistung S1 100%: 1,1 / 1,5 kW (400 V) Motor-Aufnahmeleistung S6 40%: 1,5 / 2,2 kW (400 V) Maschinenabmessung (B x T x H)*: 1140 x 770 x 1500 mm Gewicht ca.: 287 kg * ohne Untergestell        

Verkaufspreis: 2.931,96 € Regulärer Preis: 3.086,27 € (5% gespart)
Bohr- und Fräsmaschine FM 45 HSV
Bohr- und Fräsmaschine FM 45 HSV

  Das Modell FM 45 HSV ist aufgrund des hohen Drehzahlbereichs (75 - 3200 U/min) sowie der umfangreichen Ausstattung (z.B. automatischer Pinolenvorschub, digitale Pinolenhubanzeige, LED-Arbeitsleuchte,...) die ideale Maschine für mechanische Werkstätten, Reparaturbetriebe und den Ausbildungsbereich.   BESCHREIBUNG Durchzugsstarker 2-Stufenmotor, Drehzahlbereich 75 - 3200 U/min  Beidseitig schwenkbarer Fräskopf zum Winkelbohren, Fräsen von Fasen usw. Hohe Sicherheit durch höhenverstellbaren Futterschutz mit Mikroschalter Serienmäßig mit automatischem Pinolenvorschub und Gewindeschneideinrichtung Schwalbenschwanzführung für x-, y- und z-Achse, nachstellbar über Keilleisten Einfacher und schneller Drehzahlwechsel mittels Getriebewahlschalter  Serienmäßig mit Digitalanzeige für die Pinolenzustellung Hohe Stabilität durch Schwalbenschwanzführung des Getriebekopfes  Pinolenverstellung mittels Handgriff, Feinzustellung mittels Handrad  Stabile und vibrationsfreie Gussausführung LIEFERUMFANG Schnellspannbohrfutter 3 – 16 mm / B 16 Bohrfutterdorn MK 4 / B 16 Anzugsspindel M 16 Reduzierhülse MK 4/3 Kombi-Aufsteckfräsdorn MK 4 / 27 mm Höhenverstellbare Schutzabdeckung Automatischer Pinolenvorschub LED-Maschinenleuchte Digitale Pinolenhubanzeige Gewindeschneideinrichtung Lamellen-Schutzabdeckung Längsmeßskala Bedienwerkzeug   Technische Daten: Bohrleistung in Stahl: 32 mm Bohrleistung in Guss: 40 mm Messerkopffräser max.: 80 mm Ausladung: 220 mm Spindeldrehzahl: (12) 75 – 3200 U/min Spindelaufnahme: MK 4 Pinolenhub: 120 mm Pinolenvorschub: (3) 0,10 / 0,18 / 0,26 mm/U Tischgröße: 800 x 240 mm  Verfahrweg (x / y): 555 / 225 mm Fräskopf schwenkbar: -60° bis +60° Abstand Spindel / Tisch: 60 – 485 mm Höhenverstellung Fräskopf: 425 mm T-Nutengröße: 14 mm Motor-Abgabeleistung S1 100%: 1,1 / 1,5 kW (400 V) Motor-Aufnahmeleistung S6 40%: 1,5 / 2,2 kW (400 V) Maschinenabmessung (B x T x H)*: 1140 x 770 x 1500 Gewicht ca.: 308 kg * ohne Untergestell        

Verkaufspreis: 3.537,33 € Regulärer Preis: 3.723,51 € (5% gespart)
(-220,54 € gespart)
Bohr- und Fräsmaschine FM 45 HSV inkl. 3-Achs-Digitalanzeige
Bohr- und Fräsmaschine FM 45 HSV inkl. 3-Achs-Digitalanzeige

  Das Modell FM 45 HSV ist aufgrund des hohen Drehzahlbereichs (75 - 3200 U/min) sowie der umfangreichen Ausstattung (z.B. automatischer Pinolenvorschub, digitale Pinolenhubanzeige, LED-Arbeitsleuchte,...) die ideale Maschine für mechanische Werkstätten, Reparaturbetriebe und den Ausbildungsbereich.   BESCHREIBUNG Durchzugsstarker 2-Stufenmotor, Drehzahlbereich 75 - 3200 U/min  Beidseitig schwenkbarer Fräskopf zum Winkelbohren, Fräsen von Fasen usw. Hohe Sicherheit durch höhenverstellbaren Futterschutz mit Mikroschalter Serienmäßig mit automatischem Pinolenvorschub und Gewindeschneideinrichtung Schwalbenschwanzführung für x-, y- und z-Achse, nachstellbar über Keilleisten Einfacher und schneller Drehzahlwechsel mittels Getriebewahlschalter  Serienmäßig mit Digitalanzeige für die Pinolenzustellung Hohe Stabilität durch Schwalbenschwanzführung des Getriebekopfes  Pinolenverstellung mittels Handgriff, Feinzustellung mittels Handrad  Stabile und vibrationsfreie Gussausführung LIEFERUMFANG 3-Achs-Digitalanzeige i200 mit LCD-Display Schnellspannbohrfutter 3 – 16 mm / B 16 Bohrfutterdorn MK 4 / B 16 Anzugsspindel M 16 Reduzierhülse MK 4/3 Kombi-Aufsteckfräsdorn MK 4 / 27 mm Höhenverstellbare Schutzabdeckung Automatischer Pinolenvorschub LED-Maschinenleuchte Digitale Pinolenhubanzeige Gewindeschneideinrichtung Lamellen-Schutzabdeckung Längsmeßskala Bedienwerkzeug Technische Daten: Bohrleistung in Stahl: 32 mm Bohrleistung in Guss: 40 mm Messerkopffräser max.: 80 mm Ausladung: 220 mm Spindeldrehzahl: (12) 75 – 3200 U/min Spindelaufnahme: MK 4 Pinolenhub: 120 mm Pinolenvorschub: (3) 0,10 / 0,18 / 0,26 mm/U Tischgröße: 800 x 240 mm  Verfahrweg (x / y): 555 / 205 mm Fräskopf schwenkbar: -60° bis +60° Abstand Spindel / Tisch: 60 – 485 mm Höhenverstellung Fräskopf: 425 mm T-Nutengröße: 14 mm Motor-Abgabeleistung S1 100%: 1,1 / 1,5 kW (400 V) Motor-Aufnahmeleistung S6 40%: 1,5 / 2,2 kW (400 V) Maschinenabmessung (B x T x H)*: 1140 x 770 x 1500 Gewicht ca.: 308 kg * ohne Untergestell        

Verkaufspreis: 4.190,20 € Regulärer Preis: 4.410,74 € (5% gespart)
(-486,83 € gespart)
Bohr- und Fräsmaschine FM 50 HSV
Bohr- und Fräsmaschine FM 50 HSV

  Die Bohr- und Fräsmaschine FM 50 HSV bietet durch die motorische Höhenverstellung des Fräskopfes, der digitalen Pinolenhubanzeige sowie dem automatischem Pinolenvorschub eine hohen Bedienkomfort. Durch die kompakte Bauweise und dem großen Leistungsbereich ist dieses Modell optimal geeignet für Modellbauer, Handwerker und Reparaturwerkstätten.   BESCHREIBUNG Vielseitige Anwendungsmöglichkeiten wie z.B.: Schlitzfräsen, Planfräsen, Ausspindeln, usw. Serienmäßig mit automatischem Pinolenvorschub und Gewindeschneideinrichtung Komfortable Höhenverstellung des Fräskopfes mittels Hubmotor Serienmäßig mit Digitalanzeige für die Pinolenzustellung Schwalbenschwanzführung für x-, y- und z-Achse, nachstellbar über Keilleisten Hohe Laufruhe durch geschliffene, im Ölbad laufende Getriebezahnräder  Beiseitig schwenkbarer Fräskopf zum Winkelbohren, Fräsen von Fasen uvm. Hohe Stabilität durch Schwalbenschwanzführung des Getriebekopfes Pinolenverstellung mittels Handgriff, Feinzustellung mittels Handrad Durchzugsstarker 2-Stufenmotor, Drehzahlbereich 75 - 3200 U/min  Hohe Sicherheit durch höhenverstellbaren Futterschutz mit Mikroschalter   LIEFERUMFANG Schnellspannbohrfutter 3 – 16 mm / B 16 Bohrfutterdorn MK 4 / B 16 Anzugsspindel M 16 Reduzierhülse MK 4 / 3 Kombi-Aufsteckfräsdorn MK 4 / 27 mm Höhenverstellbare Schutzabdeckung Automatischer Pinolenvorschub Hubmotor für Fräskopf LED-Maschinenleuchte Digitale Pinolenhubanzeige Gewindeschneideinrichtung Lamellen-Schutzabdeckung Längsmeßskala Bedienwerkzeug   Technische Daten: Bohrleistung in Stahl: 32 mm Bohrleistung in Guss: 40 mm Messerkopffräser max.: 80 mm Ausladung: 220 mm Spindeldrehzahl: (12) 75 – 3200 U/min Spindelaufnahme : MK 4 Pinolenhub: 120 mm Pinolenvorschub: (3) 0,10 / 0,18 / 0,26 mm/U Tischgröße: 800 x 240 mm Verfahrweg (x / y): 555 / 225 mm Fräskopf schwenkbar: -60° bis +60° Abstand Spindel / Tisch: 95 - 485 mm Höhenverstellung Fräskopf: 390 mm T-Nutengröße: 14 mm Hubmotor: 90 W Motor-Abgabeleistung S1 100%: 1,1 / 1,5 kW (400 V) Motor-Aufnahmeleistung S6 40%: 1,5 / 2,2 kW (400 V) Maschinenabmessung (B x T x H)*: 1140 x 970 x 1460 mm Gewicht ca.: 322 kg * ohne Untergestell        

Verkaufspreis: 3.699,00 € Regulärer Preis: 4.185,83 € (11.63% gespart)
(-245,53 € gespart)
Bohr- und Fräsmaschine FM 50 HSV inkl. 3-Achs-Digitalanzeige
Bohr- und Fräsmaschine FM 50 HSV inkl. 3-Achs-Digitalanzeige

  Die Bohr- und Fräsmaschine FM 50 HSV bietet durch die motorische Höhenverstellung des Fräskopfes, der digitalen Pinolenhubanzeige sowie dem automatischem Pinolenvorschub eine hohen Bedienkomfort. Durch die kompakte Bauweise und dem großen Leistungsbereich ist dieses Modell optimal geeignet für Modellbauer, Handwerker und Reparaturwerkstätten.   BESCHREIBUNG Vielseitige Anwendungsmöglichkeiten wie z.B.: Schlitzfräsen, Planfräsen, Ausspindeln, usw. Serienmäßig mit automatischem Pinolenvorschub und Gewindeschneideinrichtung Komfortable Höhenverstellung des Fräskopfes mittels Hubmotor Serienmäßig mit Digitalanzeige für die Pinolenzustellung Schwalbenschwanzführung für x-, y- und z-Achse, nachstellbar über Keilleisten Hohe Laufruhe durch geschliffene, im Ölbad laufende Getriebezahnräder  Beiseitig schwenkbarer Fräskopf zum Winkelbohren, Fräsen von Fasen uvm. Hohe Stabilität durch Schwalbenschwanzführung des Getriebekopfes Pinolenverstellung mittels Handgriff, Feinzustellung mittels Handrad Durchzugsstarker 2-Stufenmotor, Drehzahlbereich 75 - 3200 U/min  Hohe Sicherheit durch höhenverstellbaren Futterschutz mit Mikroschalter LIEFERUMFANG 3-Achs-Digitalanzeige i200 mit LCD-Display Schnellspannbohrfutter 3 – 16 mm / B 16 Bohrfutterdorn MK 4 / B 16 Anzugsspindel M 16 Reduzierhülse MK 4 / 3 Kombi-Aufsteckfräsdorn MK 4 / 27 mm Höhenverstellbare Schutzabdeckung Automatischer Pinolenvorschub Hubmotor für Fräskopf LED-Maschinenleuchte Digitale Pinolenhubanzeige Gewindeschneideinrichtung Lamellen-Schutzabdeckung Längsmeßskala Bedienwerkzeug Technische Daten: Bohrleistung in Stahl: 32 mm Bohrleistung in Guss: 40 mm Messerkopffräser max.: 80 mm Ausladung: 220 mm Spindeldrehzahl: (12) 75 – 3200 U/min Spindelaufnahme: MK 4 Pinolenhub: 120 mm Pinolenvorschub: (3) 0,10 / 0,18 / 0,26 mm/U Tischgröße: 800 x 240 mm Verfahrweg (x / y): 555 / 225** mm Fräskopf schwenkbar: -60° bis +60° Abstand Spindel / Tisch: 95 - 485 mm Höhenverstellung Fräskopf: 390 mm T-Nutengröße: 14 mm Hubmotor: 90 W Motor-Abgabeleistung S1 100%: 1,1 / 1,5 kW (400 V) Motor-Aufnahmeleistung S6 40%: 1,5 / 2,2 kW (400 V) Maschinenabmessung (B x T x H)*: 1140 x 970 x 1460 mm Gewicht ca.: 322 kg * ohne Untergestell  ** 205 mm bei Modell mit 3-Achs-Digitalanzeige        

Verkaufspreis: 4.665,01 € Regulärer Preis: 4.910,54 € (5% gespart)
Bohr- und Fräsmaschine FM 55 HSV inkl. 3-Achs-Digitalanzeige i200 und Vorschub f. x-Achse
Bohr- und Fräsmaschine FM 55 HSV inkl. 3-Achs-Digitalanzeige i200 und Vorschub f. x-Achse

  Die Bohr- und Fräsmaschine FM 55 HSV überzeugt durch ihre stabile Konstruktion und einfache Handhabung. Schon die Grundausstattung beinhaltet alle wichtigen Zubehöre (3-Achs-Digitalanzeige, Frästisch- vorschub, Hubmotor, Zentralschmierung, Kühlmitteleinrichtung, LED-Arbeitsleuchte, Graugussuntergestell mit Kühlmittelrinne, Sicherheitseinrichtungen nach CE-Norm, …), wodurch diese Maschine universell einsetzbar ist.   BESCHREIBUNG Serienmäßig mit automatischem Pinolenvorschub und Gewindeschneideinrichtung Schnelle Tischverstellung in x-Achse durch automatischen Tischvorschub mit Eilgang Schwerer Maschinenständer aus Grauguss für vibrationsfreies Arbeiten Erhöhte Produktivität durch serienmäßige Digitalanzeige in allen 3 Achsen 2-Stufenmotor mit 12 schaltbaren Geschwindigkeiten (75 - 3200 U/min) Vielseitige Anwendungsmöglichkeiten, Schlitzfräsen, Planfräsen, Ausspindeln, ... Beidseitig schwenkbarer Fräskopf zum Winkelbohren, Fräsen von Fasen usw. Komfortable Höhenverstellung des Fräskopfes mittels Hubmotor Schwalbenschwanzführung für x-, y- und z-Achse, nachstellbar über Keilleisten Hohe Stabilität durch Schwalbenschwanzführung des Getriebekopfes Manuelle Zentralschmierung für alle Führungsbahnen   LIEFERUMFANG 3-Achs-Digitalanzeige i200 mit LCD-Display Schnellspannbohrfutter 3 – 16 mm / B 16 Bohrfutterdorn MK 4 – B 16 Anzugsspindel M 16 Reduzierhülse MK 4 / 3 Kombi-Aufsteckfräsdorn MK 4 / 27 mm Automatischer Pinolenvorschub Höhenverstellbare Schutzabdeckung Hubmotor für Fräskopf Zentralschmierung x-Achsenvorschub AL 450 D LED-Maschinenleuchte Digitale Pinolenhubanzeige Gewindeschneideinrichtung Lamellen-Schutzabdeckung Kühlmitteleinrichtung Längsmeßskala Gussuntergestell mit Kühlmittelrinne Bedienwerkzeug   Technische Daten: Bohrleistung in Stahl: 32 mm Bohrleistung in Guss: 40 mm Messerkopffräser max.: 80 mm Ausladung: 220 mm Spindeldrehzahl: (12) 75 – 3200 U/min Spindelaufnahme: MK 4 Pinolenhub: 120 mm Pinolenvorschub: (3) 0,10 / 0,18 / 0,26 mm/U Tischgröße: 800 x 240 mm Verfahrweg (x / y): 420 / 200 mm Fräskopf schwenkbar: -60° bis +60° Abstand Spindel / Tisch: 95 - 485 mm Höhenverstellung Fräskopf: 390 mm T-Nutengröße: 14 mm Hubmotor: 90 W Motor-Abgabeleistung S1 100%: 1,1 / 1,5 kW (400 V) Motor-Aufnahmeleistung S6 40%: 1,5 / 2,2 kW (400 V) Maschinenabmessung (B x T x H): 1270 x 960 x 2120 mm Gewicht ca.: 447 kg      

Verkaufspreis: 6.374,33 € Regulärer Preis: 6.709,82 € (5% gespart)
(-367,35 € gespart)
Bohr- und Fräsmaschine FM 55 HSV Vario inkl. 3-Achs-Digitalanzeige i200 und Vorschub f. x-Achse
Bohr- und Fräsmaschine FM 55 HSV Vario inkl. 3-Achs-Digitalanzeige i200 und Vorschub f. x-Achse

  Die Bohr- und Fräsmaschine FM 55 HSV Vario zeichnet sich neben der motorischen Höhenverstellung des Fräskopfes und dem automatischen Pinolenvorschub vor allem durch die stufenlose Drehzahl aus. Schon die Grundausstattung beinhaltet alle wichtigen Zubehöre (3-Achs-Digitalanzeige, Frästischvorschub, Zentralschmierung, Kühlmitteleinrichtung, LED-Arbeitsleuchte, Graugussuntergestell mit Kühlmittelrinne, Sicherheitseinrichtungen nach CE-Norm, …), wodurch diese Maschine universell einsetzbar ist.   BESCHREIBUNG Variable Drehzahleinstellung durch Delta-Frequenzumrichter mit optimiertem Drehmomentverlauf Vielseitige Anwendungsmöglichkeiten wie z.B.: Schlitzfräsen, Planfräsen, Ausspindeln, usw. Schnelle Tischverstellung in x-Achse durch automatischen Tischvorschub mit Eilgang Serienmäßig mit automatischem Pinolenvorschub und Gewindeschneideinrichtung Schwalbenschwanzführung für x-, y- und z-Achse, nachstellbar über Keilleisten Beiseitig schwenkbarer Fräskopf zum Winkelbohren, Fräsen von Fasen uvm. Serienmäßig mit Digitalanzeige für Drehzahl und Pinolenhub Schwerer Maschinenständer aus Grauguss für vibrationsfreies Arbeiten Leistungsstarke Kühlmitteleinrichtung im Standfuß integriert LIEFERUMFANG 3-Achs-Digitalanzeige i200 mit LCD-Display Schnellspannbohrfutter 3 – 16 mm / B 16 Bohrfutterdorn MK 4 – B 16 Anzugsspindel M 16 Reduzierhülse MK 4 / 3 Kombi-Aufsteckfräsdorn MK 4 / 27 mm Automatischer Pinolenvorschub Höhenverstellbare Schutzabdeckung Hubmotor für Fräskopf Zentralschmierung x-Achsenvorschub AL 450 D Frequenzumrichter Delta VFD-E LED-Maschinenleuchte Digitale Drehzahlanzeige Digitale Pinolenhubanzeige Gewindeschneideinrichtung Lamellen-Schutzabdeckung Kühlmitteleinrichtung Längsmeßskala Gussuntergestell mit Kühlmittelrinne Bedienwerkzeug Technische Daten: Bohrleistung in Stahl: 32 mm Bohrleistung in Guss: 40 mm Messerkopffräser max.: 80 mm Ausladung: 220 mm Spindeldrehzahl, stufenlos: 75 – 480 / 425 – 2750 U/min Spindelaufnahme: MK 4 Pinolenhub: 125 mm Pinolenvorschub: (3) 0,10 / 0,18 / 0,26 mm/U Tischgröße: 800 x 240 mm Verfahrweg (x / y): 420 / 200 mm Fräskopf schwenkbar: -60° bis +60° Abstand Spindel / Tisch: 95 - 485 mm Höhenverstellung Fräskopf: 390 mm T-Nutengröße: 14 mm Hubmotor: 90 W Motor-Abgabeleistung S1 100%: 1,5 kW (400 V) Motor-Aufnahmeleistung S6 40%: 2,2 kW (400 V) Maschinenabmessung (B x T x H): 1270 x 960 x 2120 mm Gewicht ca.: 445 kg        

Verkaufspreis: 6.979,71 € Regulärer Preis: 7.347,06 € (5% gespart)
(-393,59 € gespart)
Bohr- und Fräsmaschine FM 55 HTC Vario inkl. 3-Achs-Digitalanzeige
Bohr- und Fräsmaschine FM 55 HTC Vario inkl. 3-Achs-Digitalanzeige

  Bohr- und Fräsmaschine mit pneumatischer Werkzeugklemmung.   BESCHREIBUNG Kurze Umrüstzeiten durch serienmäßige pneumatische Werkzeugklemmung  Serienmäßig mit automatischem Pinolenvorschub und Gewindeschneideinrichtung Variable Drehzahleinstellung durch Delta-Frequenzumrichter mit optimiertem Drehmomentverlauf Vielseitige Anwendungsmöglichkeiten wie z.B.: Schlitzfräsen, Planfräsen, Ausspindeln, usw. Komfortable Höhenverstellung des Fräskopfes mittels Hubmotor Hohe Stabilität durch Schwalbenschwanzführung des Getriebekopfes Serienmäßig mit Digitalanzeige für Drehzahl und Pinolenhub Manuelle Zentralschmierung für alle Führungsbahnen LIEFERUMFANG 3-Achs-Digitalanzeige i200 mit LCD-Display Schnellspannbohrfutter 3 – 16 mm / B 16 Bohrfutterdorn ISO 30 – B 16 Anzugsspindel M 16 Adapter ISO 30 / MK 2 Kombi-Aufsteckfräsdorn ISO 30 / 27 mm Automatischer Pinolenvorschub Pneumatische Werkzeugklemmung Höhenverstellbare Schutzabdeckung Hubmotor für Fräskopf Zentralschmierung x-Achsenvorschub AL 450 D Frequenzumrichter Delta VFD-E LED-Maschinenleuchte Digitale Drehzahlanzeige Digitale Pinolenhubanzeige Gewindeschneideinrichtung Lamellen-Schutzabdeckung Kühlmitteleinrichtung Längsmeßskala Gussuntergestell mit Kühlmittelrinne Technische Daten: Bohrleistung in Stahl:  32 mm  Bohrleistung in Guss:  40 mm  Messerkopffräser max.:  80 mm  Ausladung:  220 mm  Spindeldrehzahl, stufenlos:  75 – 480 / 425 – 2750 U/min  Spindelaufnahme:  ISO 30  Pinolenhub:  125 mm  Pinolenvorschub:  (3) 0,10 / 0,18 / 0,26 mm/U  Tischgröße / T-Nutengröße:  800 x 240 mm / 14 mm  Verfahrweg (x / y):  420 / 200 mm  Fräskopf schwenkbar:  -60° bis +60°  Abstand Spindel / Tisch:  95 - 485 mm  Höhenverstellung Fräskopf:  390 mm  Hubmotor:  90 W  Motorleistung:  1,5 kW (400 V)  Maschinenabmessung (B x T x H):  1270 x 960 x 2120 mm  Gewicht ca.:  455 kg      

Verkaufspreis: 7.478,26 € Regulärer Preis: 7.871,85 € (5% gespart)
(-232,41 € gespart)
Bohr- und Fräsmaschine BF 45 HSV mit x-Achsenvorschub
Bohr- und Fräsmaschine BF 45 HSV mit x-Achsenvorschub

  Bohr- und Fräsmaschine BF 45 HSVmit x-Achsenvorschub.  BESCHREIBUNG Serienmäßig mit automatischem Pinolenvorschub und Gewindeschneideinrichtung Durchzugsstarker 2-Stufenmotor, Drehzahlbereich 75 - 3200 U/min Stabile und geschliffene Stahlsäule, ausgelegt für hohe Beanspruchung Serienmäßig mit digitaler Pinolenhubanzeige und LED-Arbeitsleuchte ausgestattet Einfacher und schneller Drehzahlwechsel mittels Schalthebel Getriebekopf 180° schwenkbar, 360° drehbar und höhenverstellbar  Hohe Laufruhe durch geschliffene, im Ölbad laufende Getriebezahnräder Handgrobvorschub auf Handfeinvorschub mittels Kupplung umschaltbar Qualitätskugellager sorgen für eine hohe Rundlaufgenauigkeit Hohe Sicherheit durch höhenverstellbaren Futterschutz mit Mikroschalter LIEFERUMFANG x-Achsenvorschub AL 450 D  Schnellspannbohrfutter 3 – 16 mm / B 16 Bohrfutterdorn MK 4 / B 16 Anzugsspindel M 16 Reduzierhülse MK 4 / 3 Kombi-Aufsteckfräsdorn MK 4 / 27 mm Automatischer Pinolenvorschub Höhenverstellbare Schutzabdeckung Digitale Pinolenhubanzeige Gewindeschneideinrichtung Kühlmitteleinrichtung LED-Maschinenleuchte Längsmeßskala Bedienwerkzeug  Technische Daten: Bohrleistung in Stahl: 32 mm Bohrleistung in Guss: 40 mm Messerkopffräser max.: 80 mm Ausladung: 280 mm Spindeldrehzahl: (12) 75 – 3200 U/min Spindelaufnahme: MK 4 Pinolenhub: 120 mm Pinolenvorschub: (3) 0,10 / 0,18 / 0,26 mm/U Tischgröße: 730 x 210 mm T-Nutengröße: 14 mm Abstand Spindel / Tisch max.: 640 mm Abstand Spindel / Bodenplatte max.: 1190 mm Verfahrweg (x / y): 380 / 200 mm Fräskopf schwenkbar: -90° bis +90° Höhenverstellung Fräskopf: 260 mm Säulendurchmesser: 115 mm Arbeitsfläche Bodenplatte: 365 x 375 mm Motor-Abgabeleistung S1 100%: 1,1 / 1,5 kW (400 V) Motor-Aufnahmeleistung S6 40%: 1,5 / 2,2 kW (400 V) Maschinenabmessung (B x T X H): 1070 x 800 x 2060 mm Gewicht ca.: 362 kg    

Verkaufspreis: 4.415,73 € Regulärer Preis: 4.648,14 € (5% gespart)
(-238,03 € gespart)
Bohr- und Fräsmaschine BF 45 HSV Vario
Bohr- und Fräsmaschine BF 45 HSV Vario

  Mit der Bohr- und Fräsmaschine BF 45 HSV Vario hat man die Möglichkeit Bohr- und Fräsarbeiten in horizontaler, vertikaler und schräger Ebene durchzuführen. Durch die kompakte Bauweise, dem serienmäßigen Pinolenvorschub, der digitalen Pinolenhubanzeige und der stufenlosen Drehzahlregelung ist dieses Modell für Modellbauer, Handwerker und Reparaturwerkstätten optimal geeignet.  BESCHREIBUNG Variable Drehzahleinstellung durch Delta-Frequenzumrichter mit optimiertem Drehmomentverlauf Hohe Sicherheit durch höhenverstellbarer Schutzabdeckung nach CE-Norm Vielseitige Anwendungsmöglichkeiten wie z.B.: Schlitzfräsen, Planfräsen, Ausspindeln, usw. Großdimensionierter Kreuztisch mit T-Nuten und Kühlmittelrinne Hohe Laufruhe durch geschliffene, im Ölbad laufende Getriebezahnräder Serienmäßig mit Digitalanzeige für Drehzahl und Pinolenhub Beiseitig schwenkbarer Fräskopf zum Winkelbohren, Fräsen von Fasen uvm. Schwalbenschwanzführung für x- und y-Achse, nachstellbar über Keilleisten Stabile und geschliffene Stahlsäule, ausgelegt für hohe Beanspruchung Serienmäßig mit automatischem Pinolenvorschub Rechts-Linkslaufeinrichtung zum Gewindeschneiden LIEFERUMFANG Schnellspannbohrfutter 1 – 16 mm / B 16 Bohrfutterdorn MK 4 / B 16 Anzugsspindel M 16 Reduzierhülse MK 4 / 3 Kombi-Aufsteckfräsdorn MK 4 / 27 mm Automatischer Pinolenvorschub Höhenverstellbare Schutzabdeckung Digitale Pinolenhubanzeige Digitale Drehzahlanzeige Frequenzumrichter Gewindeschneideinrichtung Kühlmitteleinrichtung LED-Maschinenleuchte Längsmeßskala Bedienwerkzeug  Technische Daten: Bohrleistung in Stahl: 32 mm Bohrleistung in Guss: 40 mm Messerkopffräser max.: 80 mm Ausladung: 280 mm Spindeldrehzahl, stufenlos: 75 - 2750 U/min Spindelaufnahme: MK 4 Pinolenhub: 120 mm Pinolenvorschub: (3) 0,10 / 0,18 / 0,26 mm/U Tischgröße: 730 x 210 mm T-Nutengröße: 14 mm Abstand Spindel / Tisch max.: 640 mm Abstand Spindel / Bodenplatte max.: 1190 mm Verfahrweg (x / y): 495 / 200 mm Fräskopf schwenkbar: -90° bis +90° Höhenverstellung Fräskopf: 260 mm Säulendurchmesser: 115 mm Arbeitsfläche Bodenplatte: 365 x 375 mm Motor-Abgabeleistung S1 100%: 1,5 kW (400 V) Motor-Aufnahmeleistung S6 40%: 2,2 kW (400 V) Maschinenabmessung (B x T X H): 1070 x 800 x 2060 mm Gewicht ca.: 362 kg     

Verkaufspreis: 4.522,57 € Regulärer Preis: 4.760,60 € (5% gespart)
(-121,83 € gespart)
Bohr- und Fräsmaschine BF 28 BDC, Bernardo
Bohr- und Fräsmaschine BF 28 BDC, Bernardo

  Die Bohr- und Fräsmaschine BF 28 BDC ist serienmäßig mit einem hochwertigem Gleichstrommotor ausgestattet. Wesentliche Vorteile, die sich daraus ergeben, sind das hohe Drehmoment im unteren Drehzahlbereich und die annähernd konstante Drehzahl unter Last. Ihren Einsatzbereich findet dieses Modell hauptsächlich beim professionellen Anwender, im Modellbau, aber auch im Ausbildungsbereich.   Eigenschaften Variable Drehzahleinstellung, Drehzahl kann stufenlos an das Werkstück angepasst werden Vielseitige Anwendungsmöglichkeiten, z.B. Schlitzfräsen, Planfräsen, Ausspindeln, ... Digitale Drehzahl- und Bohrtiefenanzeige im Lieferumfang enthalten Serienmäßig mit Fußpedal zum Ändern der Drehrichtung beim Gewindeschneiden Gleichstrommotor für optimales Drehmoment im unteren Drehzahlbereich Schwalbenschwanzführung für x-, y- und z-Achse, nachstellbar über Keilleisten Hohe Rundlaufgenauigkeit (≤0,015 mm) der Pinole durch Präzisionslager Beidseitig schwenkbarer Fräskopf zum Winkelbohren, Fräsen von Fasen usw.  Großdimensionierter Kreuztisch mit T-Nuten, präzise oberflächenbearbeitet Pinolenverstellung mittels Handgriff, Feinzustellung mittels Handrad    Technische Daten  Bohrleistung in Stahl: 28 mm  Stirnfräser max. : 63 mm  Schaftfräser max. : 20 mm  Gewindeschneiden max.: M 12  Ausladung: 175 mm  Abstand Spindel/Tisch min./max.: 75 – 365 mm  Pinolenhub: 67 mm  Spindeldrehzahl, stufenlos: 100 – 1500 / 200 – 3000 U/min  Spindelaufnahme: MK 3  Tischgröße: 700 x 180 mm  Verfahrweg (x / y): 500 / 215 mm  Fräskopf schwenkbar: -90° bis +90°  Höhenverstellung Fräskopf: 290 mm  T-Nutengröße: 12 mm  Motor-Abgabeleistung S1 100%:  0,75 kW / 230 V  Motor-Aufnahmeleistung S6 40%: 1,1 kW / 230 V  Maschinenabmessung (B x T x H)*: 970 x 605 x 1040 mm  Gewicht ca.: 130 kg  * ohne Untergestell   Lieferumfang Zahnkranzbohrfutter 3 - 16 mm / B 16 Bohrfutterdorn MK 3 / B 16 Anzugsspindel M 12 Digitale Drehzahlanzeige Digitale Pinolenhubanzeige EMV-Filter nach CE-Norm Höhenverstellbare Schutzabdeckung Fußpedal Gewindeschneideinrichtung Bedienwerkzeug    

Verkaufspreis: 2.314,70 € Regulärer Preis: 2.436,53 € (5% gespart)
(-149,94 € gespart)
Bohr- und Fräsmaschine BF 28 BDC inkl. 3-Achs-Digitalanzeige, Bernardo
Bohr- und Fräsmaschine BF 28 BDC inkl. 3-Achs-Digitalanzeige, Bernardo

  Die Bohr- und Fräsmaschine BF 28 BDC ist serienmäßig mit einem hochwertigem Gleichstrommotor ausgestattet. Wesentliche Vorteile, die sich daraus ergeben, sind das hohe Drehmoment im unteren Drehzahlbereich und die annähernd konstante Drehzahl unter Last. Ihren Einsatzbereich findet dieses Modell hauptsächlich beim professionellen Anwender, im Modellbau, aber auch im Ausbildungsbereich.   Eigenschaften Variable Drehzahleinstellung, Drehzahl kann stufenlos an das Werkstück angepasst werden Vielseitige Anwendungsmöglichkeiten, z.B. Schlitzfräsen, Planfräsen, Ausspindeln, ... Digitale Drehzahl- und Bohrtiefenanzeige im Lieferumfang enthalten Serienmäßig mit Fußpedal zum Ändern der Drehrichtung beim Gewindeschneiden Gleichstrommotor für optimales Drehmoment im unteren Drehzahlbereich Schwalbenschwanzführung für x-, y- und z-Achse, nachstellbar über Keilleisten Hohe Rundlaufgenauigkeit (≤0,015 mm) der Pinole durch Präzisionslager Beidseitig schwenkbarer Fräskopf zum Winkelbohren, Fräsen von Fasen usw.  Großdimensionierter Kreuztisch mit T-Nuten, präzise oberflächenbearbeitet Pinolenverstellung mittels Handgriff, Feinzustellung mittels Handrad  Technische Daten Bohrleistung in Stahl:  28 mm Stirnfräser max.: 63 mm Schaftfräser max.: 20 mm Gewindeschneiden max.: M 12 Ausladung: 175 mm Abstand Spindel/Tisch min./max.: 75 – 365 mm Pinolenhub: 67 mm Spindeldrehzahl, stufenlos: 100 – 1500 / 200 – 3000 U/min Spindelaufnahme: MK 3 Tischgröße: 700 x 180 mm Verfahrweg (x / y): 500 / 215 mm Fräskopf schwenkbar: -90° bis +90° Höhenverstellung Fräskopf: 290 mm T-Nutengröße: 12 mm Motor-Abgabeleistung S1 100%: 0,75 kW / 230 V Motor-Aufnahmeleistung S6 40%: 1,1 kW / 230 V Maschinenabmessung (B x T x H)*: 970 x 605 x 1040 mm Gewicht ca.: 130 kg * ohne Untergestell  Lieferumfang 3-Achs-Digitalanzeige ES-12 V mit LCD-Display Zahnkranzbohrfutter 3 - 16 mm / B 16 Bohrfutterdorn MK 3 / B 16 Anzugsspindel M 12 Digitale Drehzahlanzeige Digitale Pinolenhubanzeige EMV-Filter nach CE-Norm Höhenverstellbare Schutzabdeckung Fußpedal Gewindeschneideinrichtung Bedienwerkzeug    

Verkaufspreis: 2.848,86 € Regulärer Preis: 2.998,80 € (5% gespart)
(-183,68 € gespart)
Bohr- und Fräsmaschine BF 35 BDC, Bernardo
Bohr- und Fräsmaschine BF 35 BDC, Bernardo

  Die Bohr- und Fräsmaschine BF 35 BDC ist aufgrund der hohen Drehzahl bis 3000 U/min, dem leistungsstarkem Antriebsmotor (1,5 KW) und der Spindelaufnahme MK 3 das ideale Modell für den anspruchsvollen Anwender. Zur Reduzierung der Fertigungszeiten ist dieses Modell auch mit einer 3-Achs-Digitalanzeige und einem stufenlos regelbarem Frästischvorschub lieferbar. Eigenschaften Modell auch mit stufenlosem Frästischvorschub und 3-Achs-Digitalanzeige lieferbar (Art. Nr.  02-1117)  Variable Drehzahleinstellung, Drehzahl kann stufenlos an das Werkstück angepasst werden Vielseitige Anwendungsmöglichkeiten, z.B. Schlitzfräsen, Planfräsen, Ausspindeln, ... Digitale Drehzahl- und Bohrtiefenanzeige im Lieferumfang enthalten Serienmäßig mit Rechts-Linkslauf, optimal zum Gewindeschneiden Gleichstrommotor für optimales Drehmoment im unteren Drehzahlbereich Schwalbenschwanzführung für x-, y- und z-Achse, nachstellbar über Keilleisten Hohe Rundlaufgenauigkeit (≤0,015 mm) der Pinole durch Präzisionslager Beidseitig schwenkbarer Fräskopf zum Winkelbohren, Fräsen von Fasen usw.  Großdimensionierter Kreuztisch mit T-Nuten, präzise oberflächenbearbeitet Technische Daten Bohrleistung in Stahl:  35 mm  Stirnfräser max.:  75 mm  Schaftfräser max.:  25 mm  Gewindeschneiden max.:  M 20  Ausladung:  190 mm  Abstand Spindel/Tisch min./max.:  90 – 440 mm  Pinolenhub:  90 mm  Spindeldrehzahl, stufenlos:  100 – 1500 / 200 – 3000 U/min  Spindelaufnahme:  MK 3  Tischgröße:  840 x 210 mm  Verfahrweg (x / y):  535 / 225 mm  Fräskopf schwenkbar:  -90° bis +90°  Höhenverstellung Fräskopf :  350 mm  T-Nutengröße:  14 mm  Motor-Abgabeleistung S1 100%:  1,5 KW / 230 V  Motor-Aufnahmeleistung S6 40%:  2,2 kW / 230 V  Maschinenabmessung (B x T x H)*:  1180 x 710 x 1220 mm  Gewicht ca.:  210 kg  * ohne Untergestell  Lieferumfang Zahnkranzbohrfutter 3 - 16 mm / B 16 Bohrfutterdorn MK 3 / B 16 Anzugsspindel M 12 Digitale Drehzahlanzeige Digitale Pinolenhubanzeige EMV-Filter nach CE-Norm Höhenverstellbare Schutzabdeckung Gewindeschneideinrichtung Bedienwerkzeug  

Verkaufspreis: 3.489,85 € Regulärer Preis: 3.673,53 € (5% gespart)
(-229,28 € gespart)
Bohr- und Fräsmaschine BF 35 BDC m. Vorschub inkl. 3-Achs-Digitalanzeige, Bernardo
Bohr- und Fräsmaschine BF 35 BDC m. Vorschub inkl. 3-Achs-Digitalanzeige, Bernardo

  Die Bohr- und Fräsmaschine BF 35 BDC ist aufgrund der hohen Drehzahl bis 3000 U/min, dem leistungsstarkem Antriebsmotor (1,5 KW) und der Spindelaufnahme MK 3 das ideale Modell für den anspruchsvollen Anwender. Eigenschaften Variable Drehzahleinstellung, Drehzahl kann stufenlos an das Werkstück angepasst werden Vielseitige Anwendungsmöglichkeiten, z.B. Schlitzfräsen, Planfräsen, Ausspindeln, ... Digitale Drehzahl- und Bohrtiefenanzeige im Lieferumfang enthalten Serienmäßig mit Rechts-Linkslauf, optimal zum Gewindeschneiden Gleichstrommotor für optimales Drehmoment im unteren Drehzahlbereich Schwalbenschwanzführung für x-, y- und z-Achse, nachstellbar über Keilleisten Hohe Rundlaufgenauigkeit (≤0,015 mm) der Pinole durch Präzisionslager Beidseitig schwenkbarer Fräskopf zum Winkelbohren, Fräsen von Fasen usw.  Großdimensionierter Kreuztisch mit T-Nuten, präzise oberflächenbearbeitet Technische Daten Bohrleistung in Stahl :  35 mm  Stirnfräser max.:  75 mm  Schaftfräser max.:  25 mm  Gewindeschneiden max.:  M 20  Ausladung: 190 mm  Abstand Spindel/Tisch min./max.: 90 – 440 mm  Pinolenhub: 90 mm  Spindeldrehzahl, stufenlos:  100 – 1500 / 200 – 3000 U/min  Spindelaufnahme:  MK 3  Tischgröße: 840 x 210 mm  Verfahrweg (x / y) : 535 / 225 mm  Fräskopf schwenkbar: -90° bis +90°  Höhenverstellung Fräskopf:  350 mm  T-Nutengröße:  14 mm  Motor-Abgabeleistung S1 100%: 1,5 KW / 230 V  Motor-Aufnahmeleistung S6 40%: 2,2 kW / 230 V  Maschinenabmessung (B x T x H)*: 1180 x 710 x 1220 mm  Gewicht ca.: 210 kg  * ohne Untergestell  Lieferumfang 3-Achs-Digitalanzeige ES-12 V mit LCD-Display x-Achsenvorschub AL 450 D Zahnkranzbohrfutter 3 - 16 mm / B 16 Bohrfutterdorn MK 3 / B 16 Anzugsspindel M 12 Digitale Drehzahlanzeige Digitale Pinolenhubanzeige EMV-Filter nach CE-Norm Höhenverstellbare Schutzabdeckung Gewindeschneideinrichtung Bedienwerkzeug    

Verkaufspreis: 4.356,39 € Regulärer Preis: 4.585,67 € (5% gespart)

Herstellername: PWA HandelsgesmbH

Herstelleradresse: Nebingerstraße 7a 4020 Linz | Austria