Zum Hauptinhalt springen Zur Suche springen Zur Hauptnavigation springen

Standard-4-Backenfutter DK12-200/D6

Produktinformationen "Standard-4-Backenfutter DK12-200/D6"

 

Eigenschaften

Ausführung:

  • Standard-Vierbackendrehfutter mit hochwertigem Gusskörper
  • Mit Camlock-Direktaufnahme nach DIN 55029
  • Inklusive je 1 Satz Dreh- und Bohrbacken

 

Anwendungsbereich:

  • Geeignet für konventionelle Drehmaschinen

 

Standardzubehör:

  • 1 Satz Drehbacken DIJ-DK11
  • 1 Satz Bohrbacken DOJ-DK11

 

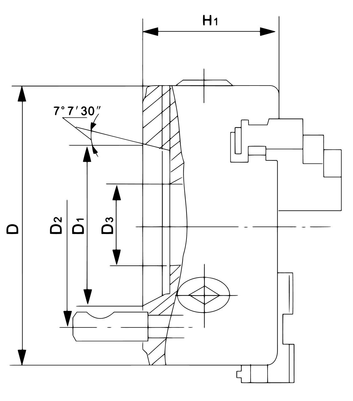
Technische Daten:

  • Futtergröße: 200/D6
  • D - Durchmesser: 200 mm
  • Taper: 6
  • D1 (max.): 106,390 mm
  • D2: 133,4 mm
  • D3: 60 mm
  • H1: 90 mm
  • Max. Drehzahl: 2000 U/min
  • Gewicht ca.: 19 kg

 

 

 

 

 

Universal-Drehmaschine Smart 410 x 1000
Universal-Drehmaschine Smart 410 x 1000

  Die Universaldrehmaschine Smart 410 eignet sich zur Ausführung von leichten und mittelschweren Dreharbeiten. Schon die Grundausstattung behinhaltet alle wichtigen Zubehöre (3-Backenfutter, Lünetten, Wechselräder, ...), wodurch diese Maschine universell einsetzbar ist. Zur Reduzierung der Fertigungszeiten ist dieses Modell serienmäßig mit einer 3-Achs-Digitalanzeige ausgestattet.   Beschreibung Prismenbett aus Grauguss, induktiv gehärtet und präzisionsgeschliffen Elektromechanische Fußbremse zur Reduzierung der Nebenzeiten Zentrale, handliche Schaltung für Vorschübe und Gewinde mit Leit- und Zugspindel Moderne Hauptspindellagerung mit Schrägkugellagern in Präzisionsausführung Die Zahnräder sind großdimensioniert, gehärtet und präzisionsgeschliffen Gehärtete und geschliffene Zahnräder und Wellen, auch im Vorschubgetriebe Die Drehzahl- und Vorschubeinstellung ist einfach aufgebaut, leichtgängig und präzise schaltbar Verschiebbarer Reitstock zum Kegeldrehen, Handrad mit einstellbarer Feinskalierung (0,02 mm) Die herausnehmbare Brücke ermöglicht die Bearbeitung von Werkstücken mit großem Durchmesser   Technische Daten: Spitzenweite: 1000 mm Spitzenhöhe: 205 mm Umlaufdurchmesser über Bett: 410 mm Umlaufdurchmesser über Kröpfung: 580 mm Umlaufdurchmesser über dem Planschlitten: 255 mm Bettbreite: 250 mm Spindelbohrung: 52 mm Spindelaufnahme: DIN 55029, D1 - 6 Drehzahlbereich: (16) 45 - 1800 U/min Bereich Längsvorschübe: (17) 0,05 - 1,7 mm/U Bereich Planvorschübe: (17) 0,025 - 0,85 mm/U Metrische Gewinde: (42) 0,2 - 14 mm Zollgewinde: (45) 2 - 72 Gg/1“ Pinolendurchmesser: 50 mm Pinolenweg: 120 mm Pinolenaufnahme: MK 4 Motorleistung: 3,0 / 4,5 kW Maschinenabmessung (B x T x H): 2030 x 1000 x 1450 mm Gewicht ca.: 1550 kg   Lieferumfang: 3-Achs-Digitalanzeige ES-12 V mit LCD-Display 3-Backenfutter DK11-200 mm / D6 Aufspannscheibe 350 mm Feststehende Lünette- Durchlass diam. max. 135 mm Mitlaufende Lünette- Durchlass diam. max. 65 mm Kühlmitteleinrichtung Vierfachstahlhalter Schutzeinrichtung bei Vierfachstahlhalter Mikrometer-Längsanschlag Rutschkupplung Revolveranschlag mit Feineinstellung Gewindeuhr Motor mit Magnetbremse nach CE-Norm Fußpedal mit Bremsfunktion nach CE Erstbefüllung mit Shell Tellus 46 LED-Maschinenleuchte Wechselräder Reduzierhülse 2 Zentrierspitzen Spänerückwand Bedienungswerkzeug      

Regulärer Preis: 14.669,00 €
Universal-Drehmaschine Smart 410 x 1500
Universal-Drehmaschine Smart 410 x 1500

  Die Universaldrehmaschine Smart 410 eignet sich zur Ausführung von leichten und mittelschweren Dreharbeiten. Schon die Grundausstattung behinhaltet alle wichtigen Zubehöre (3-Backenfutter, Lünetten, Wechselräder, ...), wodurch diese Maschine universell einsetzbar ist. Zur Reduzierung der Fertigungszeiten ist dieses Modell serienmäßig mit einer 3-Achs-Digitalanzeige ausgestattet.   Beschreibung Prismenbett aus Grauguss, induktiv gehärtet und präzisionsgeschliffen Elektromechanische Fußbremse zur Reduzierung der Nebenzeiten Zentrale, handliche Schaltung für Vorschübe und Gewinde mit Leit- und Zugspindel Moderne Hauptspindellagerung mit Schrägkugellagern in Präzisionsausführung Die Zahnräder sind großdimensioniert, gehärtet und präzisionsgeschliffen Gehärtete und geschliffene Zahnräder und Wellen, auch im Vorschubgetriebe Die Drehzahl- und Vorschubeinstellung ist einfach aufgebaut, leichtgängig und präzise schaltbar Verschiebbarer Reitstock zum Kegeldrehen, Handrad mit einstellbarer Feinskalierung (0,02 mm) Die herausnehmbare Brücke ermöglicht die Bearbeitung von Werkstücken mit großem Durchmesser   Technische Daten: Spitzenweite: 1500 mm Spitzenhöhe: 205 mm Umlaufdurchmesser über Bett: 410 mm Umlaufdurchmesser über Kröpfung: 580 mm Umlaufdurchmesser über dem Planschlitten: 255 mm Bettbreite: 250 mm Spindelbohrung: 52 mm Spindelaufnahme: DIN 55029, D1 - 6 Drehzahlbereich: (16) 45 - 1800 U/min Bereich Längsvorschübe: (17) 0,05 - 1,7 mm/U Bereich Planvorschübe: (17) 0,025 - 0,85 mm/U Metrische Gewinde: (42) 0,2 - 14 mm Zollgewinde: (45) 2 - 72 Gg/1“ Pinolendurchmesser: 50 mm Pinolenweg: 120 mm Pinolenaufnahme: MK 4 Motorleistung: 3,0 / 4,5 kW Maschinenabmessung (B x T x H): 2530 x 1000 x 1450 mm Gewicht ca.: 1810 kg   Lieferumfang: 3-Achs-Digitalanzeige ES-12 V mit LCD-Display 3-Backenfutter DK11-200 mm / D6 Aufspannscheibe 350 mm Feststehende Lünette- Durchlass diam. max. 135 mm Mitlaufende Lünette- Durchlass diam. max. 65 mm Kühlmitteleinrichtung Vierfachstahlhalter Schutzeinrichtung bei Vierfachstahlhalter Mikrometer-Längsanschlag Rutschkupplung Revolveranschlag mit Feineinstellung Gewindeuhr Motor mit Magnetbremse nach CE-Norm Fußpedal mit Bremsfunktion nach CE Erstbefüllung mit Shell Tellus 46 LED-Maschinenleuchte Wechselräder Reduzierhülse 2 Zentrierspitzen Spänerückwand Bedienungswerkzeug        

Regulärer Preis: 16.619,00 €

Herstellername: PWA HandelsgesmbH

Herstelleradresse: Nebingerstraße 7a 4020 Linz | Austria